АСК лого

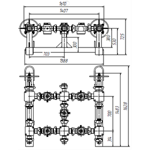
Блок манифольда АСК БМ-70.00.000-05А

Наименование продукции

Блок манифольда

АСК БМ-70.00.000-05А

Обозначение

АСК БМ-70.00.000-05А

Рабочее давление: 70 МПа.

Условный проход: 50 мм.

Масса не более: 650,0 кг.

Присоединительная резьба: Сп.Tr.104х8,467

Рабочая среда: вода, нефть, нефтепродукты, щелочи, ингибированные растворы кислот, цементные и глинистые растворы, проппант.

АСК БМ-70.00.000-05А