АСК лого

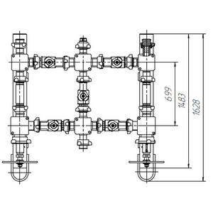
Блок манифольда АСК БМ-70.00.000-35А

Наименование продукции

Блок манифольда

АСК БМ-70.00.000-35А

Обозначение

АСК БМ-70.00.000-35А

Рабочее давление: 70 МПа.

Условный проход: 50 мм.

Рабочая среда: вода, нефть, нефтепродукты, щелочи, ингибированные растворы кислот, цементные и глинистые растворы, проппант.

Обозначение Присоед. резьба Масса, кг
АСК БМ-70.00.000-35А Сп.Tr.104х8,467 560
АСК БМ-70.00.000-44 Сп.Tr.100х12,7 550