АСК лого

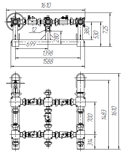
Блок манифольда АСК БМ-70.00.000А

Наименование продукции

Блок манифольда

АСК БМ-70.00.000А

Обозначение

АСК БМ-70.00.000А

Рабочее давление: 70 МПа

Условный проход: 50 мм

Рабочая среда: вода, нефть, нефтепродукты, щелочи, ингибированные растворы кислот, цементные и глинистые растворы, проппант.

Обознач. Присоед. резьба Масса, кг
АСК БМ - 70.00.000А Сп. Tr 104 х 8,467 562,0
АСК БМ - 70.00.000 - 24 Сп. Tr 100 х 12,7 560,0
АСК БМ-70.00.000А