АСК лого

Заглушка АСК БРС-4.14.200

Наименование продукции

Заглушка

АСК  БРС-4.14.200АСК  БРС-4.14.200

Обозначение

АСК БРС-4.14.200

Рабочее давление: 14 МПа.

Рабочая среда: вода, нефть, нефтепродукты, щелочи, ингибированные растворы кислот, цементные и глинистые растворы.

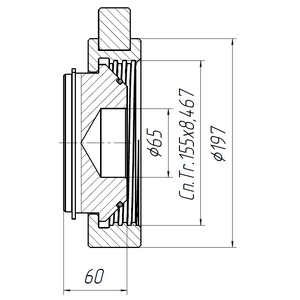
Обозначение Присоед. резьба Масса, кг
АСК БРС-4.14.200 Сп.Tr.160х12,7 12
АСК БРС-4.14.200-01А Сп.Tr.155х8,467 11