АСК лого

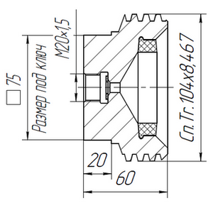
Заглушка под манометр АСК М20х1,5.000-01

Наименование продукции

Заглушка под манометр

АСК М20х1,5.000-01 АСК М20х1,5.000-01

Обозначение

АСК М20х1,5.000-01

Рабочее давление 40 МПа.

Рабочая среда: вода, нефть, нефтепродукты, щелочи, ингибированные растворы кислот, цементные и глинистые растворы.

Обозначение Присоед. резьба Масса, кг
АСК М20х1,5.000-01 Сп.Tr.100х12,7 2,6
АСК М20х1,5.000-02А Сп.Tr.104х8,467 2,5