Наименование продукции
|
Заглушка под манометр
|
|
|
Обознач.
|
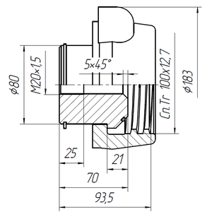
АСК М20х1,5.000А
|
Рабочее давление 40 МПа.
Рабочая среда: вода, нефть, нефтепродукты, щелочи, ингибированные растворы кислот, цементные и глинистые растворы.
| Обозначение |
Присоед. резьба |
Масса, кг |
| АСК М20х1,5.000А |
Сп.Tr.104х8,467 |
5,8 |
| АСК М20х1,5.000-03 |
Сп.Tr.100х12,7 |
6 |
|
|